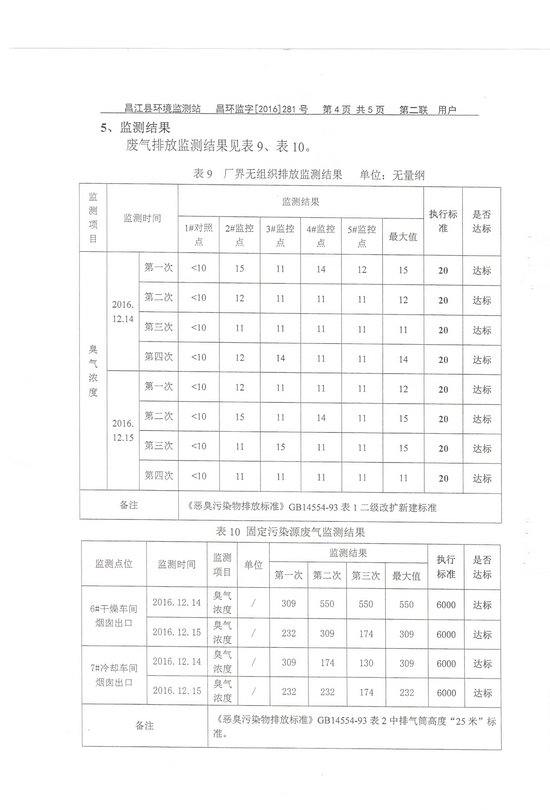
海南天然橡胶产业集团金竹橡胶加工分公司东红橡胶厂环境监测报告 时间:2017-01-09 来源:swag Date:2017-01-09 Source:swag 上一篇:swag 视频会议系统建设项目中标公示 下一篇:财富广场高档装修写字楼招租 Previous:swag 视频会议系统建设项目中标公示 Next:财富广场高档装修写字楼招租